EP3548428 (A1)

Method for the production of a syngas from a stream of light hydrocarbons and from combustion fumes from a cement clinker production unit

(22) 06.11.2017

(43) 09.10.2019

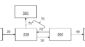
(57) Summary of the corresponding patent FR3059315 (A1): Process for producing a synthesis gas containing CO and H2 from a light hydrocarbon stream and combustion fumes from a cement clinker production unit comprising at least one calcination furnace (300), and a means for evacuating combustion fumes (500) from the calcination furnace to the outside of said unit, which process comprises the following steps: – at least a portion of the combustion fumes (70 ) obtained in said clinker manufacturing unit upstream of said flue gas discharge means (500); – a reaction stream (113) is prepared comprising a light hydrocarbon stream (110) comprising methane and the combustion fumes (70); – said reaction stream (113) is sent to a tri-reforming reactor (1009) to obtain synthesis gas (114).

(71) IFP Énergies nouvelles (FR); Holcim Technology Ltd (CH)

Related articles:

Issue 9/2018 WO2018099693 (A1)

Method for the production of a syngas from a stream of light hydrocarbons and from combustion fumes from a cement clinker production unit

(22) 06.11.2017(43) 07.06.2018(57) A method is described for producing a syngas containing CO and H2 from a stream of light hydrocarbons and combustion fumes from a cement clinker production unit...

more
Issue 1-2/2020 US2019345031 (A1)

Method for the production of a syngas from a stream of light hydrocarbons and from combustion fumes from a cement clinker production unit

(22) 06.11.2017(43) 14.11.2019(57) Summary of the corresponding patent FR3059315 (A1): Procédé de production d’un gaz de synthèse contenant du CO et de l’H2 à partir d’un flux d’hydrocarbures légers...

more
Issue 3/2021 US 2020/0392041 A1

Clinker production plant and method for producing clinker in such a plant

(22) 13.12.2018(43) 17.12.2020(57) Disclosed is a clinker production plant including: a preheating unit; a calcination unit; a kiln; and a cooler. The calcination assembly includes a calcination...

more
Issue 06/2024 US 2024 0217873 A1

Method and installation for producing lime or dolime

(22) 10.05.2022(43) 04.07.2024(57) A method for producing lime or dolime, which includes a calcination step for the calcination of calcareous or dolo-mitic material which is brought into contact with...

more
Issue 4/2016 US 2016/0046525 A1

Plant for producing cement clinker with gasification reactor for difficult fuels

(22) 04.04.2014 (43) 18.02.2016 (57) A plant for producing cement clinker, comprising as viewed in the direction of materials flow, a heat exchanger...

more