A cementitious material binder and methods and systems for producing the same which do not rely on a surface-alone reaction
(22) 30.11.2022
(43) 08.06.2023
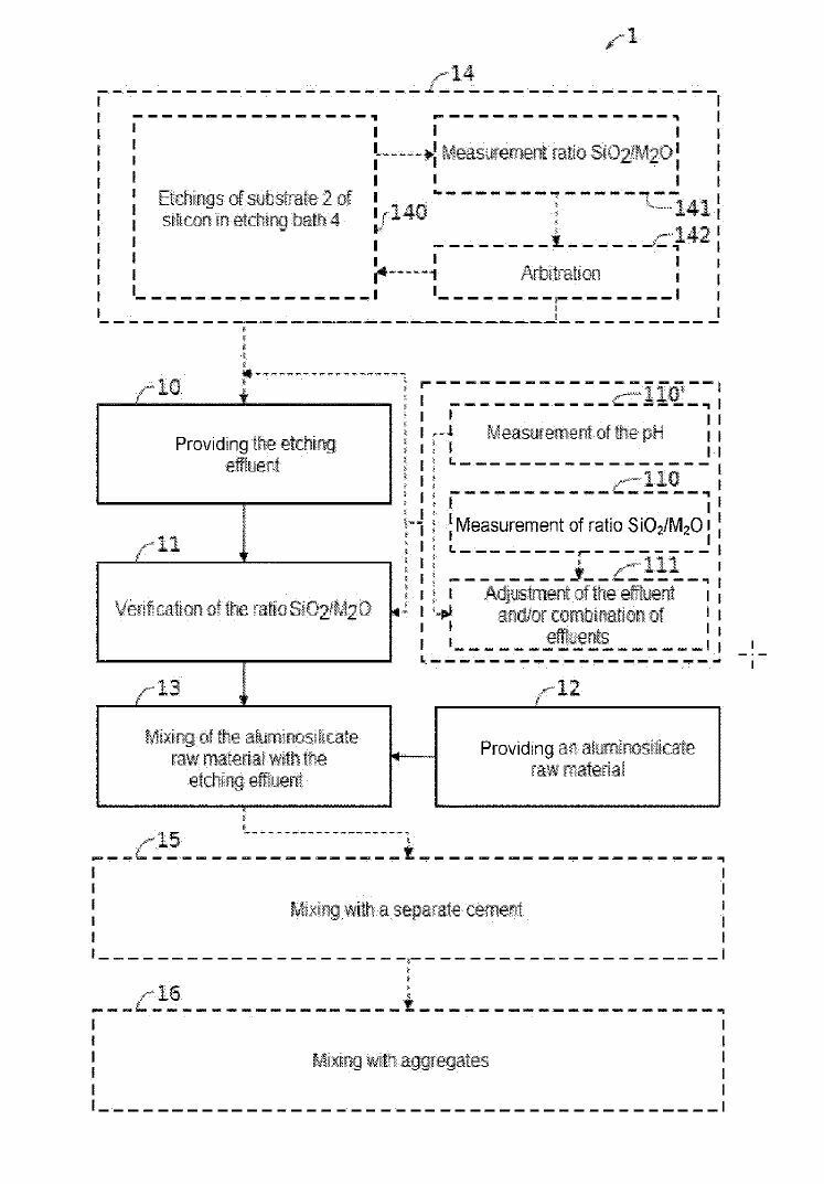
(57) Methods and systems for producing cement binder without wall packing or interfacial transition zones are provided. A metal hydroxide is reacted with a silicate to produce a silicate precursor. The silicate precursor is then mixed with aluminosilicate material which forms a condensation reaction directly in the solution, resulting in a binder that does not rely on a stuface-alone reaction.
(71) Yummet LLC, 2301 W Holladay St., Tucson, AZ 85746 (US)
(84)): AE, AG, AL, AM, AO, AT, AU, AZ, BA, BB, BG, BH, BN, BR, BW, BY, BZ, CA, CH, CL, CN, CO, CR, CU, CV, CZ, DE, DJ, DK, DM, DO, DZ, EC, EE. EG, ES, FI. GB, GD, GE, GH, GM, GT, HN, HR, HU, ID, IL, IN, IQ, IR, IS, IT, JM, JO, JP, KE, KG, KH, KN, KP, KR, KW, KZ, LA, LC, LK, LR, LS, LU, LY, MA, MD, MG, MK, MN, MW, MX, MY, MZ, NA, NG, NI, NO, NZ, OM, PA, PE, PG, PH, PL, PT, QA, RO, RS, RU, RW‘, SA, SC, SD. SE, SG. SK, SL, ST, SV, SY, TH, TJ, TM, TN, TR, TT, TZ, UA, UG, US, UZ, VC. VN, WS, ZA, ZM, ZW
