Flue gas treatment system and method
(22) 25.02.2014
(43) 26.08.2015
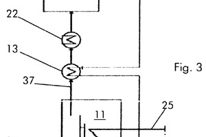
(57) The flue gas treatment system (1) comprises a carbonator and a calciner (11), a first cooler (13) for the carbon dioxide discharged from the calciner, a conditioning system (14) for removing impurities from the carbon dioxide coming from the first cooler (13), a recirculation line (15) for the carbon dioxide coming from the conditioning system (14). A second cooler (22) is provided between the first cooler (13) and the conditioning system (14).
(71) Alstom Technology Ltd, 5400 Baden (CH)
(84) Designated Contracting States: AL AT BE BG CH CY CZ DE DK EE ES FI FR GB GR HR HU IE IS IT LI LT LU LV MC MK MT NL NO PL PT RO RS SE SI SK SM TR Designated Extension States: BA ME
