HAVER NIAGARA

Making more products, reducing waste and cutting costs in the quarry

The first part of the Haver & Boecker “The cement plant of the future” series of articles focussed on preparation technologies. The subsequent parts examine groundbreaking solutions for storage and handling, packing, palletising and loading, ship loading, unloading and automation.

1 Introduction

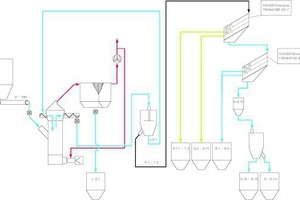
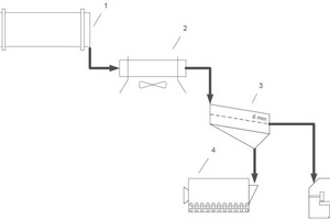
Haver & Boecker has made up its mind. The company located in Oelde/Germany wants to shape the future of the cement industry. Its objective is to begin designing the cement plant of the future. First stop – Mineral Processing. The basis for quality and cost of the cement starts here. Process-engineering research in the cement industry has always aimed at

Reducing energy consumption in cement production

Optimizing quality and uniformity of produced cement, and

Minimizing emissions from the cement-production process [1, 2]

The starting point for all these goals is naturally the starting...

Related articles:

Issue 10/2013

Use of marginal grade limestone for cement manufacture in India

In India, almost all the available cement grade limestone reserves suitable for the production of cement have been acquired under mineral...

more
Issue 8/2022 ONESTONE CONSULTING LTD.

Availability of cement raw materials

Cement plants with capacities of 1 million t per year consume 1.5 million t of raw materials, which corresponds to almost 5000 t/d, and this over a period of at least 40 years. Most of the raw...

more
Issue 11/2012

New clinker plant and cement grinding facility

In Togo, HeidelbergCement is constructing a new 250 million US$ clinker plant with an annual capacity of 1.5 million t in the town of Tabligbo, some...

more
Issue 5/2019 US 2019/0071354 A1

Use of quarry fines and/or limestone powder to reduce clinker content of cementitious compositions

(22) 05.11.2018(43) 07.03.2019(57) Quarry fines and/or limestone powder are used to reduce clinker content in concrete, mortar and other cementitious compositions, typically in combination with one or...

more
×