WO 2018/054756 A1

Method for controlling ammonia content in cement flue gas and cement plant with controlled ammonia emission

(22) 14.09.2017

(43) 29.03.2018

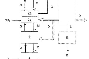
(57) The invention relates to a method for controlling an ammonia content in the exhaust gas (E) from a cement manufacturing plant wherein the gaseous stream (G) produced during sintering a raw meal (M) to form a cement clinker (C) is passed into a conditioning stage in which an amount of SO2 is adjusted that suffices for reducing the ammonia to the desired level by reaction of ammonia with SO2 to form ammonium sulfur compounds which are captured in a dedusting filter of the plant as solid material. The invention further provides a cement manufacturing plant comprising a raw material mill (1) for grinding a raw material to provide a raw meal, a preheater (2a) or a preheater/calciner (2) for preheating or preheating and calcining the raw meal, a kiln (3) for sintering the raw meal to a clinker, a cooler (4) for cooling the clinker and a dedusting filter for separating a gaseous stream from the preheater and/or the raw material mill into a solid dust and an exhaust gas, wherein a conditioning unit (5) receiving an adjusted amount of SO2 and equipped with a device for measuring the content of ammonia and SO2 in the gaseous stream from the preheater and/or the raw material mill is arranged before the dedusting filter or made integral with the dedusting filter.

(71) HeidelbergCement AG, Berliner Str. 6, 69120 Heidelberg (DE)

(84) ARIPO (BW, GH, GM, KE, LR, LS, MW, MZ, NA, RW, SD, SL, ST, SZ, TZ, UG, ZM, ZW), Eurasian (AM, AZ, BY, KG, KZ, RU, TJ, TM), European (AL, AT, BE, BG, CH, CY, CZ, DE, DK, EE, ES, FI, FR, GB, GR, HR, HU, IE, IS, IT, LT, LU, LV, MC, MK, MT, NL, NO, PL, PT, RO, RS, SE, SI, SK, SM, TR), OAPI (BF, BJ, CF, CG, CI, CM, GA, GN, GQ, GW, KM, ML, MR, NE, SN, TD, TG)

Related articles:

Issue 2/2023 TIANJIN SINOMA ENGINEERING RESEARCH CENTER CO., LTD. | TIANJIN CEMENT INDUSTRY DESIGN & RESEARCH INSTITUTE CO., LTD.

SO2 emissions and reduction technologies in the Chinese cement industry

Facing more and more strict and detailed environmental protection standards, Chinese cement enterprises have to adopt various desulfurization technologies. The authors analyze the cycle processes of...

more
Issue 03/2024 VDZ

Partial oxyfuel – Separate calcination of raw meal to concentrate CO2 in the exhaust gas

The capture of CO₂ and its subsequent use and storage are key elements of the cement industry‘s decarbonisation strategy. The separation of CO₂ from waste gas is an energy-intensive and complex...

more
Issue 5/2018 US2018050303 (A1)

Treatment of exhaust gases from cement clinker production

(22) 08.04.2016(43) 22.02.2018(57) Method for the purification of exhaust gas from the production of cement clinker in a rotary kiln, in which raw materials are ground in a mill to form raw meal, raw...

more
×