Method for calcining raw meal for cement clinker manufacturing
(22) 17.05.2019
(43) 18.11.2020
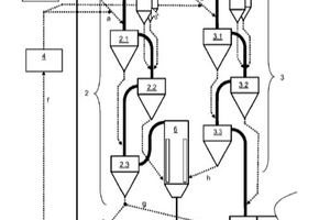
(57) Method for calcining limestone or raw meal containing limestone for manufacturing cement clinker, wherein microwave energy is used for calcination, device for calcining limestone or raw meal containing limestone for manufacturing cement clinker, comprising a preheater (2) and a calciner reactor (6), wherein the preheater (2) receives heated waste gas from the calciner reactor (6) and a feed comprising the limestone or raw meal, the heated waste gas and the feed pass through the preheater (2) in countercurrent, thereby transferring heat from the waste gas to the feed providing a preheated feed, means for transferring the preheated feed into the calciner reactor (6), and at least one magnetron (7) arranged in the calciner reactor (6) for calcination of the preheated feed by microwave energy to provide a calcined feed, cement plant comprising the device, storage means for the calcined feed (4), a kiln preheater string (3), and a rotary kiln (8), wherein the kiln preheater string (3) is arranged in parallel to the calciner preheater string (2), wherein means are provided for passing preheated limestone or raw meal containing limestone from the kiln preheater string (3) into the calciner reactor (6), means are provided for passing preheated and calcined material from the calciner reactor (6) to the rotary kiln (8) and to the storage means (4), and means are provided for passing calcined material from the storage means (4) to the calciner preheater string (2) and to the kiln preheater string (3), as well as use of microwave energy for calcining limestone or a raw meal containing limestone for cement clinker production.
(71) HeidelbergCement AG, Rubensstraße 30, 69120 Heidelberg (DE)
(84) Designated Contracting States: AL AT BE BG CH CY CZ DE DK EE ES Fl FR GB GR HR HU IE IS IT LI LT LU LV MC MK MT NL NO PL PT RO RS SE SI SK SM TR; Designated Extension States: BA ME; Designated Validation States: KH MA MD TN
