Production of supplementary cementitious materials through wet carbonation method
(22) 18.02.2022
(43) 25.08.2022
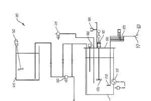
(57) A method of making a supplementary cementitious material is described that includes: forming a shiny comprising water and a carbonatable material powder, wherein a weight ratio of water to the carbonatable material powder is at least 1; and flowing a gas comprising carbon dioxide into the slurry for 0.5 to 24 hours while maintaining the slurry at a temperature of 1°C to 99°C to form a carbonated shiny comprising CaCO3 and amorphous silica. A method of forming cement or concrete using the supplemental cementitious material is also described.
(71) Solidia Technologies, Inc., 11 Colonial Drive, Piscataway, NJ 08854 (US)
