Heat production for the thermal drying process in the industry
1 Hot gas generation with coal
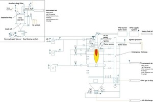
When burning solid fuels such as coal, the size of the combustion chamber is larger in comparison to oil and gas firing, because the combustion time for burnout of coal particles requires a longer retention time. Of course, coal combustion with ash as the combustion residue requires the vertical installation of the combustion chamber, in order to remove the part of the ash which is not conveyed by the hot gas flow. Therefore, the installation costs are more expensive then with horizontally arranged combustion chambers. Nonetheless, the fuel savings are much higher than the increased installation costs.
Naturally, the combustion of coal is harder to control compared to oil and gas. Three decades of research work and practical experience led Greco to a design, which allows safe operation with hot gases for most drying processes.
2 Adapted plants for solid fuel combustion
Very high temperatures near the burner, in order to create a high radiation of fuel and the refractory lining for volatilization and gasification of carbon elements. A fast temperature increase (fuel reaction velocity) and high radiation allows a fast ignition of the solid fuel. This creates a stable flame formation.
A high temperature in the upper 1/3 of the combustion chamber controls the combustion time and therefore the flame length. It is essential that the ash melting point and ash melting temperature are higher than the surrounding conditions, to avoid molten ash build-ups on the refractory bricks.
In the middle to lower section of the combustion chamber, normally the mixing air (or dilution air) is introduced into the combustion process to control the required HGG outlet temperature. The mixing area for the mixing air, which is normally colder than the combustion gas temperature, needs to be well designed in order to avoid a prolonged burn-out time.
The grinding fineness of the fuel depends mainly on the fuel characteristics as volatile matter, and influences the flame length and therefore the combustion chamber design length. It should be avoided that the flame burn-out continues in the ductwork to the heat consumer (e.g. the coal mill). A group of grinding specialists are supporting the design and preparation for the required grinding specification.
3 Starting phase
The oxygen content in the flue gas can be designed and adjusted in operation in a range between 3–8 %, especially when a coal grinding mill is connected to the HGG in order to use inert hot gas for explosion protection.
The entire system (HGG outlet temperature, temperature monitoring system, burner, fuel control and fuel dosing system) is controlled by a fail-safe PLC system to achieve a safe operation and to comply with the safety standards as described in DIN, GOST or NFPA.
