Method for operating a plant for producing cement clinker
(22) 02.02.2023
(43) 04.04.2025
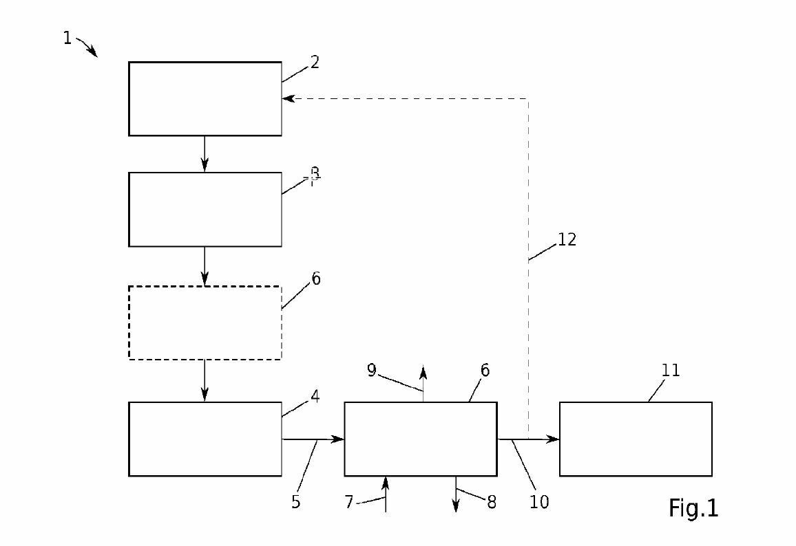
(57) A method for operating a plant for producing cement clinker, wherein the plant comprises as plant units, in the direction of gas flow, at least one clinker cooler, at least one rotary kiln, at least one calciner, at least one heat-exchanger line including heat-exchanger cyclones, and at least one device for crushing raw meal and/or cement clinker, and also a corresponding plant for producing cement clinker. At least one plant unit is enclosed, whereby the plant unit is provided with a second covering with respect to the atmosphere, and the enclosure is subjected to process gas from a compressor.
(71) Niko Hachenberg, Overath (DE); Andre Sybon, Köln, (DE)
