Chlorine bypass dust recycling system for reproducing chlorine bypass dust as cement raw material and recycling method using the same
(22) 01.12.2022
(43) 23.03.2023
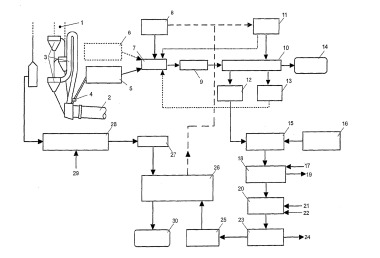
(57) The present invention relates to a recycling system of chlorine bypass dust and a recycling method using the same. The recycling method of chlorine bypass dust of the present invention includes calcium, potassium, chlorine and heavy metals by stirring the chlorine bypass dust and water. generating a first mixed solution; leaching the heavy metals by supplying a heavy metal removal agent to the first liquid mixture; coagulating the heavy metal leached into the first mixture by supplying a coagulant to the first mixture; obtaining a second mixed solution by filtering heavy metal aggregates included in the first mixed solution; supplying carbon dioxide to the second mixed solution to mineralize the calcium into a first precipitate in the form of carbonate; obtaining a third mixed solution by filtering the first precipitate contained in the second mixed solution; and drying the filtered first precipitate and mixing it with a cement raw material.
(71) Anytech (KR)
