Method and device for treating and utilising bypass dusts
(22) 20.05.2016
(43) 01.12.2016
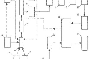
(57) In a method for the treatment and utilisation of bypass dusts from the cement production process, the following steps are carried out: a) bringing the bypass dust into contact with an aqueous and mixing same, in order to obtain a homogenous suspension, wherein water-soluble components of the bypass dust are dissolved in the aqueous phase; b) carrying out a solid-liquid separation, in particular a vacuum filtration or a filter press filtration, in order to separate the solid materials contained in the suspension, wherein a sol remains; c) precipitating a partial quantity of the heavy metals present in the sol and optionally Ca, and separating the sediment from the sol; d) subjecting the sol to an electrocoagulation, wherein a flocculate containing the heavy metals remaining in the sol is separated.
(71) Holcim Technology Ltd, Zürcherstrasse 156, CH-8645 Jona (CH)
(84) ARIPO (BW, GH, GM, KE, LR, LS, MW, MZ, NA, RW, SD, SL, ST, SZ, TZ, UG, ZM, ZW), Eurasian (AM, AZ, BY, KG, KZ, RU, TJ, TM), European (AL, AT, BE, BG, CH, CY, CZ, DE, DK, EE, ES, FI, FR, GB, GR, HR, HU, IE, IS, IT, LT, LU, LV, MC, MK, MT, NL, NO, PL, PT, RO, RS, SE, SI, SK, SM, TR), OAPI (BF, BJ, CF, CG, CI, CM, GA, GN, GQ, GW, KM, ML, MR, NE, SN, TD, TG)
