For the 20th time now, both researchers and engineers working in the industry will be meeting up in Weimar for the ibausil.Focus of this year’s conference is again traditionally the presentation of ...
Claudius Peters (part of the Langley Holdings group of companies), and Hope Cement (part of the Breedon Group), have successfully completed a major turnkey project at their cement works in the Hope...
LafargeHolcim announced the appointment of Miljan Gutovic as the Head of Region Middle East Africa and Member of the Executive Committee of LafargeHolcim, effective as of July 2018. He succeeds Saâd...
LafargeHolcim has acquired Tarrant Concrete, a leading provider of ready-mix concrete in the Dallas/Fort Worth area in Texas. This transaction will strengthen LafargeHolcim’s existing operations in...
During Chinaplas in April 2018, Starlinger welcomed more than 600 international visitors, and about 200 guests also attended the company’s open house in Taicang/China. The machinery demonstrations...
Thomas Spitzenpfeil has been appointed Chief Financial Officer of the Schenck Process Group effective 01.10.2018. He will also join the Management Board and will be responsible for the company’s...
JSW Cement, one of India’s leading producers of green cement and part of the US$ 13 billion JSW Group, will invest nearly US$ 150 million in Fujairah/UAE. The investment in Fujairah is aimed at...
The construction works of Bamburi Cement’s new KES 4 billion production line at its Nairobi grinding plant is now complete with commissioning expected in the last quarter of the year. This marks...
The Cement Company of Northern Nigeria, owners of the 500 000 t/a Sokoto Cement Plant, announced that it has informed the Nigerian Stock Exchange of its proposed merger with the BUA Cement-owned...
Loesche recently received an order from the cement manufacturer Seven Circle Bangladesh Ltd. (SCBL), part of the holding company Shun Shing Group (SSGIL)/Hong Kong, for a vertical roller mill for its...
In Doha/Qatar, Aquaseal produces dry mortar products for all phases of construction, from foundations to finishes, under the product brand name Durabuild. Aquaseal’s broad product program includes...
The 2400 t/d Duna Drava Cement clinker line in Vác was successfully re-commissioned and put into production in April 2018. In less than two years, IKN completed the enormous task of delivering the ...
At the end of March 2018, Claudius Peters successfully commissioned a silo and discharge equipment solution to Bega, one of Lithuania’s first private stevedoring companies based in the Port of ...
RHI Magnesita has announced the proposed merger of its three Indian subsidiaries RHI India, RHI Clasil into Orient Refractories. The merger is designed to optimally position RHI Magnesita’s operations ...
The Ramco Cement Limited (RCL), India, is again relying on Loesche mills for three of its cement plants for the grinding of clinker and/or slag. For each cement plant, one vertical roller mill type LM...
The packaging sector is set to meet at FachPack 2018 in Nuremberg/Germany from 25.09.-27.09.2018. Over a compact three-day schedule the trade fair will present an extensive range of solutions for the...
When it comes to processing the most different types of rock, Hermann Trollius GmbH has been relying upon Pfeiffer’s long-lasting products ever since the 1960s. In the lime and crushed stone works in ...
Gear unit manufacturer Flender launched its new DX500 product with associated DX Assist app at the Achema show in Frankfurt am Main. The new smart sensor in the Diagnostex product series is a plug &...
Shargh White Cement Co. is one of the largest and latest white cement plants in Iran with a capacity of 1000 t/d. The plant is located in Mashhad, close to the mother company’s grey cement plant,...
The Rohrdorf Cement Plant in Bavaria just celebrated the successful conclusion of a big, all-told-12-year modernization project, i.e., the completion of its last investment phase, which alone took ...
The Opterra Plant in Karsdorf is preparing for the future. Over the next few years, beginning with the launch of an expansive emission control project, the company site in Saxony-Anhalt is to be made...
These days, the growing demand for cement in the Middle East ensures an increase in orders and not just for plant manufacturers. Equipment suppliers are also required for the numerous expansion and...
Austrian Baumit GmbH is among the first customers to utilize twin-shaft batch mixers of the new DMX type for the production of dry mixtures. BHS-Sonthofen specifically adapted the machines of this ...
Many medium-sized companies in Germany also form the economic foundation and hold their ground in the tough competition in the extraction and processing of rock products. A typical example is...
Martin Engineering has helped mitigate dust emissions at the underground limestone mine of a cement production plant by implementing an innovative transfer point solution. Using a specially-designed...
Although many factors contribute to producing consistently high‑quality cement for an attractive return on investment, the equipment employed is probably the most crucial component. Pfister...
Sichuan Yadong Cement Co, Ltd. in Pengzhou/China has been relying on a 12.5 km overland conveyor from the Beumer Group in order to convey limestone from their quarry to their silo. When constructed in...
The lime industry is a 21 US$ billion business. Further growth depends largely on the development of the major application sectors, such as the steel and construction industries. There are only a very...
Within the last decade, a multiplicity of approaches towards green cements was proposed with the aim to significantly reduce the CO2 emissions associated with the production of ordinary Portland...
The interactions between (un)modified methyl hydroxyethyl celluloses and cements with several main constituents were determined using a model mix formulation for tile adhesives. The results show that...
The thermal properties of thin-bed mortar can be optimized with the aid of special admixtures. Adding fumed silica, for example, reduces the thermal conductivity. The combined addition of fumed silica...
Cemtec as a highly reputed heavy-duty equipment manufacturer and plant design specialist continuously strives to support its customers in their daily production business even after successful...
(22) 26.10.2016(43) 03.05.2018(57) One embodiment of the present invention provides a green cement composition comprising Portland cement, carbon minerals, an early strength type expansion agent, and...
(22) 05.08.2016(43) 13.06.2018(57) Summary of the corresponding patent WO2017024247 (A1): Methods and apparatus for reducing the content of controlled acidic pollutants in clinker kiln emissions are...
(22) 13.03.2014(43) 28.05.2018(57) Summary of the corresponding patent WO2014140488 (A1): The invention relates a novel sulfoaluminous clinker with a low belite content, to a method for producing said...
(22) 29.09.2015(43) 24.05.2018(57) It discloses cement grinding aids prepared with waste anti-freeze which comprises the following components in parts by weight: 20-75 parts of pretreated waste...
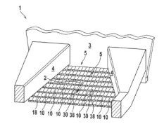
(22) 14.12.2017(43) 24.05.2018(57) A clinker inlet distribution grate for feeding a conveyor grate with clinker, previously discharged from a kiln onto the clinker inlet distribution grate wherein the...
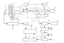
(22) 20.05.2016(43) 31.05.2018(57) A method for treating and utilizing bypass dusts from a cement production process involves a) contacting the bypass dust with an aqueous phase and mixing the same to...
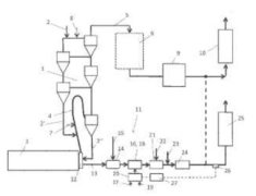
(22) 30.05.2016(43) 07.06.2018(57) A cyclone separator for use in a cement production plant, includes a cylindrical upper section and a conical lower section. The cylindrical upper section includes a...
(22) 12.08.2016(43) 07.06.2018(57) Process for manufacturing highly porous slake lime comprising a feeding step of quicklime, a feeding step of water in a feeding zone of a hydrator, a slaking step of...
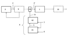
(22) 06.11.2017(43) 17.05.2018(57) The invention relates to an installation substantially consisting of an exhaust gas-generating processing device of the cement, lime or mineral industry, an exhaust...
(22) 18.11.2016(43) 24.05.2018(57) The invention pertains to a process for modifying gypsum, wherein a continuous feed of raw gypsum is provided; the water content of the raw gypsum is determined in...
(22) 14.11.2017(43) 31.05.2018(57) A special cement manufacturing method for setting a soil and a mud-sand-soil mixture, the method comprising: determining an additive according to chemical contents...
(22) 06.11.2017(43) 07.06.2018(57) A method is described for producing a syngas containing CO and H2 from a stream of light hydrocarbons and combustion fumes from a cement clinker production unit...
(22) 07.07.2016(43) 30.05.2018(57) Summary of the corresponding patent DE102015111974 (A1): Beim erfindungsgemäßen Verfahren zur Herstellung von Zementklinker oder anderen mineralischen Produkten und...